- Interconnects Connectors Connector housings
Description
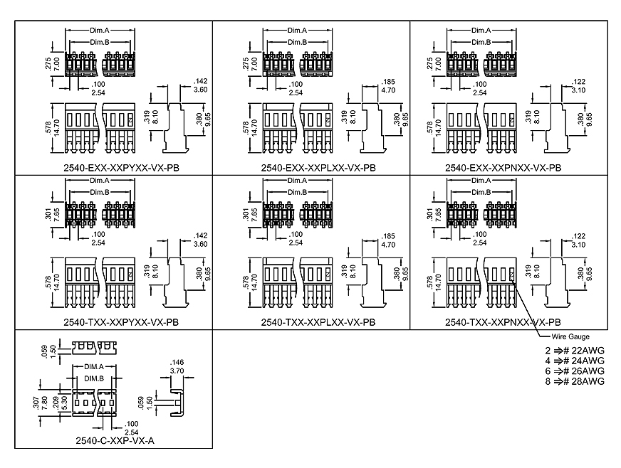
2540 Series
FEATURES:
* 2-28 Circuits
* With or without locking ramp and Polarizing Rib
* Nylon 66, [UL 94V-0] or [UL 94-2]
* Mates with .025" [0.64mm] pins
* Through and end type
* Terminal retention to housing 6.6lbs
[3.0kg] minimum
SPECIFICATIONS:
* Current rating: 3A AC. DC
* Voltage rating: 250V AC. Maximum
* Temperature range: -40°C ~ +105°C .
* Contact resistance: Initial Value/10mΩ max.
After environmental testing
/20mΩ max.
* Insulation resistance: 1000 MΩ min
* Withstand voltage: 1500V AC/minute
* Applicable wire: AWG #22 ~ #28
FEATURES:
* 2-28 Circuits
* With or without locking ramp and Polarizing Rib
* Nylon 66, [UL 94V-0] or [UL 94-2]
* Mates with .025" [0.64mm] pins
* Through and end type
* Terminal retention to housing 6.6lbs
[3.0kg] minimum
SPECIFICATIONS:
* Current rating: 3A AC. DC
* Voltage rating: 250V AC. Maximum
* Temperature range: -40°C ~ +105°C .
* Contact resistance: Initial Value/10mΩ max.
After environmental testing
/20mΩ max.
* Insulation resistance: 1000 MΩ min
* Withstand voltage: 1500V AC/minute
* Applicable wire: AWG #22 ~ #28
Supplier Information
Vensik Electronics Co., Ltd.
TEL : 886-2-27833836 FAX : 886-2-27824427No.86, Xinmin St., Nangang Dist., Taipei City 115, Taiwan R.o.c.
Web-Site : http://www.vensik.com.tw/
E-Mail : vensik@vensik.com.tw