- Interconnects Connectors Power connectors
Description
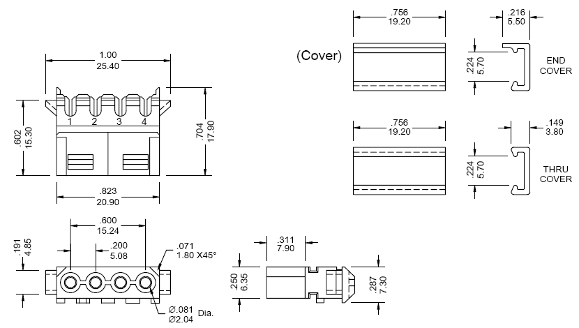
2430 IDC Series
IDC Female Connector
FEATURES:
* 4 circuits
* Wire-to-wire and wire-to-board
insulation displacement
* End grips for easy unmating
* Housing detents provide positive retention
* Mates with .084" [2.13mm] crimp terminal
housing [2440 or 2470]
* Housing Nylon [UL 94V-2] or [UL 94V-0]
* Termianl retention to housing - 8lbs.
[3.63kg] minimun
SPECIFICATIONS:
* Current rating: 7A AC. DC
* Voltage rating: 250V AC. Maximum
* Temperature range: -40°C~ +105°C AC.
* Contact resistance: Initial Value/10mΩ max.
After environmental testing
/20mΩ max.
* Insulation resistance: 5000 MΩ min
* Withstand voltage: 1500V AC/minute
* Applicable wires: AWG#22~#18
IDC Female Connector
FEATURES:
* 4 circuits
* Wire-to-wire and wire-to-board
insulation displacement
* End grips for easy unmating
* Housing detents provide positive retention
* Mates with .084" [2.13mm] crimp terminal
housing [2440 or 2470]
* Housing Nylon [UL 94V-2] or [UL 94V-0]
* Termianl retention to housing - 8lbs.
[3.63kg] minimun
SPECIFICATIONS:
* Current rating: 7A AC. DC
* Voltage rating: 250V AC. Maximum
* Temperature range: -40°C~ +105°C AC.
* Contact resistance: Initial Value/10mΩ max.
After environmental testing
/20mΩ max.
* Insulation resistance: 5000 MΩ min
* Withstand voltage: 1500V AC/minute
* Applicable wires: AWG#22~#18
Supplier Information
Vensik Electronics Co., Ltd.
TEL : 886-2-27833836 FAX : 886-2-27824427No.86, Xinmin St., Nangang Dist., Taipei City 115, Taiwan R.o.c.
Web-Site : http://www.vensik.com.tw/
E-Mail : vensik@vensik.com.tw